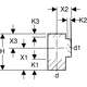
Geberit HDPE treijgabals 88,5º D110/D110

367.185.16.1
174951
9.66
Saņemt veikalā 23.10.2025
Piegāde
Saņemt veikalā 23.10.2025 Bezmaksas piegāde
Piegādes izmaksas un termiņš:
Riga
К сожалению, мы не нашли вариантов доставки до вашего местоположения. Свяжитесь с нами, и мы постараемся вам помочь.
Apmaksa
  • Piegādes informācija
  • Apmaksa
  • Atgriešana
Ražotājs
Geberit
Atrast līdzīgus
Trejgabals HDPE cauruļu pievadu un atvadu savienošanai. UV-izturīgs.

RažotājsGeberit
KrāsaMelna
PielietojumsĒku kanalizācijas sitēmām
Produktu grupaHDPE veidgabals
D110/110 mm
Svars0,428 kg