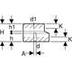
Geberit HDPE ekscentriskā pāreja D160/D110

369.586.16.1
174952
9.86
Saņemt veikalā 23.10.2025
Piegāde
Saņemt veikalā 23.10.2025 Bezmaksas piegāde
Piegādes izmaksas un termiņš:
Riga
К сожалению, мы не нашли вариантов доставки до вашего местоположения. Свяжитесь с нами, и мы постараемся вам помочь.
Apmaksa
  • Piegādes informācija
  • Apmaksa
  • Atgriešana
Ražotājs
Geberit
Atrast līdzīgus
Ekscentriska-reducēta pāreja HDPE. UV-izturīga

RažotājsGeberit
KrāsaMelna
PielietojumsĒku kanalizācijas sitēmām
Produktu grupaHDPE redukcijas
D160/110 mm
Svars0,214 kg